Princeps potentiae 1653.7nm Laser moduli utitur constructione planari cum chip in subcarrier. Princeps potestas chip hermetically signata in epoxy libero et fluxu libero 14-pin papilio sarcina et aptavit cum thermistor, thermoelectric frigus, et monitor diode ad consequendam qualitatem laser perficiendam. 1653nm 40mW BTF laser diode pro methano gas deprehensio sunt Telcordia GR-468 idonei, et in obsequio cum normas RoHS.
Princeps potentiae 1653.7nm Laser moduli utitur constructione planari cum chip in subcarrier. Princeps virtutis chip hermetically signatus est in epoxy libero et fluxu libero 14-pini papilio sarcina et cum thermistore, thermoelectrico frigidiori aptata, et monitor diode ad praestandam qualitatem laseris perficiendam. Nostra producta laser sunt Telcordia GR-468 idonei, et in obsequio cum RoHS praescriptionibus.
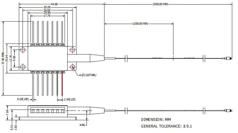
● Industry-standard 14-clavum papilio involucrum;
● inaedificata TEC et optica isolator;
● Summus perficientur, multiquantum bene distributum feedback (DFB) laser.
● Productio probatio partium passivorum pro gas deprehensio;
● Fiber gas deprehensio ratio;
● Laser fontes.
| Parameter | Symbolum | Conditio | Min. | Typ. | Maximilianus. | Unitas |
| Centrum adsum | lc | Tl = 15 35 qu | 1652.7 | 1653.7 | 1654.7 | nm |
| Optical output potentia | post | CW | - | 40 | - | mW* |
| LD Limen current | ITH' | CW | - | 15 | 40 | ma |
| LD Deinceps current | Si * | Pf = Rated Power | - | 300 | 400 | ma |
| Optical solitudo | - | -10 < TC < +70℃ | 30 | - | - | dB* |
| Ratio-modus suppressio latus | SMSR | CW | 35 | 40 | - | dB* |
| Monitor responsabilitas | Vaccination | - | - | 1 | 20 | fuit / mw* |
| Monitor responsabilitas stabilitatis | - | - | - | - | 20% | - |
| Monitor tenebris current | Id | VPD = 5V | - | - | 50 | nA |
| TEC Current | ITEC | Tcase = 75℃ | - | - | 2 | A |
| TEC Voltage | VTEC | Tcase = 75℃ | - | - | 3.5 | V |
| potentia TEC consummatio | P | Tstg = 25℃ | - | - | 5 | W |
| Thermistor Resistentia | Rth | Tcase = 75℃ | 9.5 | 10 | 10.5 | Kohm |
| Thermistor B constant | Bth | Tstg = 25℃ | - | 3900 | - | K |
| Necem summa (EOL) | λ | Expertus super XXV annos vita | - | - | ±0.1 | nm |
| Fluctus. Temperatus coefficientis | Dl/Dt | TEC temperatus in 15℃ ad 35℃ | - | 0.09 | - | nm/ |
| Necem Current coefficientis | Dl/DI | - | - | 0.01 | - | NM / in |

All products have been tested before shipping out;
Omnes fructus habent 1 annos warantum.
Negotium tuum bene nos facimus, et consilium instanti offerimus 7 dierum. (7 dies post susceptionem omissa);
Si vasa quae ex nostro thesauro emptionis non sunt perfectae qualitatis, id est electronice ad specificationes fabricantes operari faciant, ea simpliciter redde nobis ad substituendum vel refugium;
Si omissa sunt, quaeso certiorem nos intra III dies traditionis;
Quaelibet res in pristinum statum restitui debet ad vocandum refugium vel repositum;
Emptor reus est omnium navium emptarum.
Q: Quid est accurate necem?
A: +/-0.5nm.
Q: Habesne alias versiones de output potestatem?
A: 10mW, 15mW, 50mW.
C-band Narrow Linewidth Integrated Tunable Laser Conventus ITLA
1550nm 40mW 200Khz Narrow Linewidth DFB Papilio Laser Diode
1550nm 40mW 600Khz DFB Papilio Package Narrow Linewidth Laser Diode
1550nm 50mW 100Khz Narrow Linewidth DFB Papilio Laser Diode
1550nm 2mW 5mW Narrow Linewidth Coaxial Laser Diode
1550nm 100mw 100khz angusto linewidth DFB laser Diode BTF cum Sm / PM FiberCopyright @ MMXXX Shenzhen Box Optonics Technology Co., Ltd. - Sinis Fibra Optic modules, fibra copulata Lasers Manufacturers, Laser Components All rights reserved.