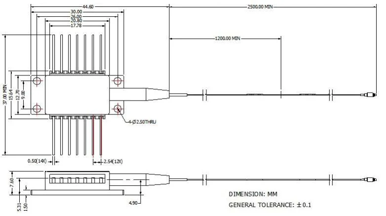
1653nm 40mW DFB Laser Diode For Methane Sensor CH4 Sensus utetur constructione planari cum chip in subcarrier. Princeps virtutis chip hermetically signatus est in epoxy libero et fluxu libero 14-pini papilio sarcina et aptus cum thermistore, frigidiore thermoelectric, et monitor diode ad praestandam qualitatem laseris perficiendam. Nostra producta laser sunt Telcordia GR-468 idonei, et in obsequio cum RoHS praescriptionibus.
1653nm 40mW DFB Laser Diode For Methane Sensor CH4 Sensus utetur constructione planari cum chip in subcarrier. Princeps virtutis chip hermetically signatus est in epoxy libero et fluxu libero 14-pini papilio sarcina et aptus cum thermistore, frigidiore thermoelectric, et monitor diode ad praestandam qualitatem laseris perficiendam. Nostra producta laser sunt Telcordia GR-468 idonei, et in obsequio cum RoHS praescriptionibus.
Industry-standard 14-pini sarcina papilio;
Inaedificata TEC et optica isolator;
Summus perficientur, multiquantum bene distributum feedback (DFB) laser.
Productio probatio partium passivorum pro deprehensione gas;
Fibre gas deprehensio systematis;
Fontes laser.
| Parameter | Symbolum | Conditio | Min. | Typ. | Maximilianus. | Unitas |
| Centrum adsum | λ | TL=15~35℃ CW | 1652.7 | 1653.7 | 1654.7 | nm |
| Optical output potentia | Po | CW | - | 40 | - | mW* |
| LD Limen current | ITH' | CW | - | 15 | 40 | ma |
| LD Deinceps current | Si * | Pf = Rated Power | - | 300 | 400 | ma |
| Optical solitudo | - | -10 < TC < +70℃ | 30 | - | - | dB* |
| Ratio-modus suppressio latus | SMSR | CW | 35 | 40 | - | dB* |
| Monitor responsabilitas | Im /Pf | - | - | 1 | 20 | uA/mW* |
| Monitor responsabilitas stabilitatis | - | - | - | - | 20% | - |
| Monitor tenebris current | Id | VPD = 5V | - | - | 50 | nA |
| TEC Current | ITEC | Tcase = 75℃ | - | - | 2 | A |
| TEC Voltage | VTEC | Tcase = 75℃ | - | - | 3.5 | V |
| potentia TEC consummatio | P | Tstg = 25℃ | - | - | 5 | W |
| Thermistor Resistentia | Rth | Tcase = 75℃ | 9.5 | 10 | 10.5 | Kohm |
| Thermistor B constant | Bth | Tstg = 25℃ | - | 3900 | - | K |
| Necem summa (EOL) | λ | Expertus super XXV annos vita | - | - | ±0.1 | nm |
| Fluctus. Temperatus coefficientis | λ/ΔT | TEC temperatus in 15℃ ad 35℃ | - | 0.09 | - | nm/ |
| Necem Current coefficientis | λ/ΔΙ | - | - | 0.01 | - | nm/mA |

All products have been tested before shipping out;
Omnes fructus 1-3 annos habent warantum.
Negotium tuum bene nos facimus, et consilium instanti offerimus 7 dierum. (7 dies post susceptionem omissa);
Si vasa quae ex nostro thesauro emo non sunt perfectae qualitatis, id est electronice ad specificationes fabricantes operari faciant, simpliciter ea nobis reddent ad substituendum vel refugium;
Si omissa sunt, quaeso certiorem nos intra III dies traditionis;
Quaelibet res in pristinum statum restitui debet ad vocandum refugium vel repositum;
Emptor reus est omnium navium emptarum.
Q: Quid est accurate necem?
A: +/-0.5nm.
Q: Habesne alias versiones de output potestatem?
A: 10mW, 15mW, 50mW.
Copyright @ 2020 Shenzhen Box Optronics Technology Co., Ltd. - China Fiber Optic Modules, Fiber Coupled Lasers Manufacturers, Laser Components Suppliers All Rights Reserved.