850nm Fabry Perottus FP Fiber-iuncta Laser Diode?
  • 850nm Fabry Perottus FP Fiber-iuncta Laser Diode? 850nm Fabry Perottus FP Fiber-iuncta Laser Diode?
  • 850nm Fabry Perottus FP Fiber-iuncta Laser Diode? 850nm Fabry Perottus FP Fiber-iuncta Laser Diode?
  • 850nm Fabry Perottus FP Fiber-iuncta Laser Diode? 850nm Fabry Perottus FP Fiber-iuncta Laser Diode?
  • 850nm Fabry Perottus FP Fiber-iuncta Laser Diode? 850nm Fabry Perottus FP Fiber-iuncta Laser Diode?
  • 850nm Fabry Perottus FP Fiber-iuncta Laser Diode? 850nm Fabry Perottus FP Fiber-iuncta Laser Diode?

850nm Fabry Perottus FP Fiber-iuncta Laser Diode?

850nm Fabry-Perot (FP) papilio laser diodae papilionum multi-longitudinalem, vexillum papilionem involucrum cum in TEC temperaturae ditionis et vigilantiae PD constructum formans, firmum et certum outputum opticum tradens.

Mitte Inquisitionem

depictio producti

850nm Fabry-Perot (FP) papilio laser diodae papilionum multi-longitudinalem, vexillum papilionem involucrum cum in TEC temperaturae ditionis et vigilantiae PD constructum formans, firmum et certum outputum opticum tradens.


Features

14pin Papilio involucrum;

Inaedificata thermistor, et TEC;

Fibre genus potest esse SM630-HP fibra;

Temperatus operating:-20~ +70℃.


Applications

Instrumentum opticum;

Laser fontem.


Electro-Optical Characteres (T=25℃)

Parameter Symbolum Conditio Min. Typ. Maximilianus. Unitas
operating adsum λ CW, 25℃ 840 850 860 nm
Optical output potentia PF - 30 - - mW*
Limen current ITH' 25℃ - 10 35 ma
Operans current IOP CW - 255 275 ma
Operans voltage VOP 25℃ - 2.1 2.3 V
Monitor Current IMON VRM = 5V 50 - 1500 μA
MPD Dark current ID VRM = 5V - - 50 μA
Thermistor resistentia RTH 25℃ 9.5 10 10.5
Thermistor B-valorem β 25℃/80℃ - 3950 - K


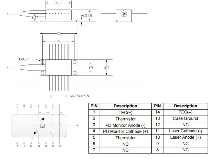
Sarcina tractus & PIN-E Definition (Unit: mm)

850nm Fabry Perot Fp Fiber Coupled Laser Diode


Libera, Shipping et Servientes

All products have been tested before shipping out;

Omnes fructus 1-3 annos habent warantum.

Negotium tuum bene nos facimus, et consilium instanti offerimus 7 dierum. (7 dies post susceptionem omissa);

Si vasa quae ex nostro thesauro emo non sunt perfectae qualitatis, id est electronice ad specificationes fabricantes operari faciant, simpliciter ea nobis reddent ad substituendum vel refugium;

Si omissa sunt, quaeso certiorem nos intra III dies traditionis;

Quaelibet res in pristinum statum restitui debet ad vocandum refugium vel repositum;

Emptor reus est omnium navium emptarum.

850nm Fabry Perot Fp Fiber Coupled Laser Diode


FAQ

Q: Ibi est praesto matching laser exactoris?

A: Ita. Integrare etiam possumus diode et auriga ut fons laseris moduli sit.


Q:Habesne alius necem FP laser?

A: Ita, 488nm/ 520nm/ 532nm/ 660nm/ 850nm/ 1064nm... Contactum nobis quaeso pro magis details.


Hot Tags: 850nm Fabry Perottus FP Fiber-iuncta Laser Diode, Manufacturers, Suppliers, Lupum, Factory, Mos, Mole, Sinis, Factus in Sinis, Cheap, Humilis Pretio, Qualitas

Related Categoria

Mitte Inquisitionem

Libenter placet, ut inquisitionem tuam in forma infra exhibeas. Respondebimus tibi in 24 horis.
X
Crusulis utimur ut meliorem experientiam pasco tibi praebeamus, situm negotiationis et personalize contentus analyse. Hoc situ utendo, ad nostrum crustulorum usum consentis. Privacy Policy
Reject Accipe